상세설명
FEATURES
APPLICABLE | Oil, Gas, Seaewater, Chemical water, etc |
---|---|
DESIGN STANDARD | ASME(ANSI), JIS, DIN, BS, API |
DESIGN PRESSURE | 5㎏/㎠, 10㎏/㎠, 16㎏/㎠, 20㎏/㎠, 30㎏/㎠, #150, #300 |
DESIGN TEMPERATURE | -40℃ ~ 180℃ |
OPERATION TYPE | Hand lever, Gear Box, Pneumatic, Hydraulic, Electric |
END TYPE | Flange, Lug, Wafer |
Fire safety / Zero leakage / Uni-Direction |

MATERIALS(Part material can be changed upon customer's request)
NO. | DESCRIPTION | MATERIAL | Q'ty |
---|---|---|---|
1 | body | Cast iron / Ductile iron Cast steel / Stainless steel Al bronze | 1 |
2 | Disc | Ductile iron / Cast steelStainless steel / Al bronze | 1 |
3 | Stem | Stainless steel / Monel | 1 |
4 | Seat | Rubber( NBR, EPDM, VITON, etc) | 1 |
5 | Disc pin | Stainless steel / Monel | 1set |
6 | O-ring | Rubber( NBR, EPDM, VITON, etc) | 1set |
7 | Packing | Rubber( NBR, EPDM, VITON, etc) | 1set |
8 | Packing gland | Carbon / Stainless steel | 1 |
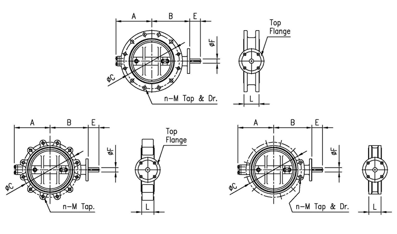
SIZE | L | STANDARD (Lug Type) | MAKER STANDARD | TOP FLANGE ISO 5211 | |||||||||
---|---|---|---|---|---|---|---|---|---|---|---|---|---|
JIS 10K | ASME CLASS 150 | ||||||||||||
inch | mm | FLANGE | LUG | WAFER | ØC | n-M | ØC | n-M | A | B | E | ØF | |
1½ | 40 | 40 | 40 | 40 | 120 | 4-M16 | 152.5 | '4-⅝" | 55 | 122 | 33 | 14 | F07 |
2 | 50 | 40 | 43 | 43 | 120 | 4-M16 | 152.5 | 4-⅝" | 68 | 131 | 33 | 14 | F07 |
2½ | 65 | 40 | 46 | 46 | 140 | 4-M16 | 152.5 | 4-⅝" | 78 | 140 | 33 | 14 | F07 |
3 | 80 | 60 | 46 | 46 | 150 | 8-M16 | 152.5 | 4-⅝" | 85 | 158 | 33 | 16 | F07 |
4 | 100 | 60 | 52 | 52 | 175 | 8-M16 | 190.5 | 8-⅝" | 105 | 170 | 33 | 16 | F07 |
5 | 125 | 100 | 56 | 56 | 210 | 8-M20 | 216 | 8-¾" | 120 | 188 | 33 | 19 | F07 |
6 | 150 | 100 | 56 | 56 | 240 | 8-M20 | 241.5 | 8-¾" | 135 | 204 | 33 | 19 | F07 |
8 | 200 | 100 | 60 | 60 | 290 | 12-M20 | 298.5 | 8-¾" | 184 | 238 | 33 | 22 | F07 |
10 | 250 | 110 | 68 | 68 | 355 | 12-M22 | 362 | 12-⅞" | 224 | 290 | 50 | 22 | F10 |
12 | 300 | 110 | 78 | 78 | 400 | 16-M22 | 432 | 12-⅞" | 255 | 315 | 50 | 28 | F10 |
14 | 350 | 120 | 78 | 78 | 445 | 16-M22 | 476 | 12-1" | 280 | 340 | 50 | 28 | F10 |
16 | 400 | 130 | 102 | 102 | 510 | 16-M24 | 539.5 | 16-1" | 310 | 380 | 60 | 38 | F14 |
18 | 450 | 150 | 114 | 114 | 565 | 20-M24 | 578 | 16-1⅛" | 350 | 402 | 60 | 38 | F14 |
20 | 500 | 160 | 127 | 127 | 620 | 20-M24 | 635 | 20-1⅛" | 380 | 440 | 80 | 45 | F16 |
22 | 550 | 170 | 142 | 142 | 680 | 20-M30 | 692.2 | 20-1¼" | 398 | 488 | 80 | 55 | F16 |
24 | 600 | 170 | 154 | 154 | 730 | 24-M30 | 749.5 | 20-1¼" | 450 | 510 | 80 | 55 | F16 |
26 | 650 | 170 | 165 | 165 | 780 | 24-M30 | 806.5 | 24-1¼" | 465 | 530 | 80 | 556 | F16 |
28 | 700 | 180 | 165 | 165 | 840 | 24-M30 | 863.5 | 28-1¼" | 500 | 580 | 110 | 65 | F16 |
30 | 750 | 190 | 190 | 190 | 900 | 24-M30 | 914.5 | 28-1¼" | 520 | 595 | 110 | 65 | F25 |
32 | 800 | 200 | 190 | 190 | 950 | 28-M30 | 978 | 28-1½" | 565 | 635 | 110 | 75 | F25 |
36 | 900 | 230 | 203 | 203 | 1050 | 28-M30 | 1086 | 32-1½" | 670 | 700 | 150 | 90 | F25 |
40 | 1000 | 250 | 216 | 216 | 1160 | 28-M36 | 1200 | 36-1½" | 725 | 755 | 150 | 90 | F30 |
44 | 1100 | 280 | 216 | 216 | 1270 | 28-M36 | 1314.5 | 40-1½" | 780 | 840 | 150 | 95 | F30 |
48 | 1200 | 300 | 254 | 254 | 1380 | 28-M36 | 1422.4 | 44-1½" | 860 | 755 | 150 | 90 | F30 |