상세설명
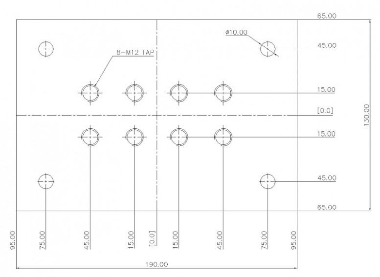
저가형 탭핑 유닛(FW-ST2N-MB) & 8축 탭핑헤드(8-M12 용)
- 적용 모터 : AC 2HP(1/5 감속모터)
- 8축헤드 : 적용 스핀들 ER16-M, 간격 30x30mm
- rpm : 약 500
가공 제품 : 플라스틱
저가형 탭핑 유닛(FW-ST2N-MB) & 8축 탭핑헤드(8-M12 용)
- 적용 모터 : AC 2HP(1/5 감속모터)
- 8축헤드 : 적용 스핀들 ER16-M, 간격 30x30mm
- rpm : 약 500
가공 제품 : 플라스틱