신품 판매중
로그너트
가격 가격협의
모델명 GUK
제품분류 베어링/강구/핀
업체명 삼일B&S
전화번호 0504-0667-3952
등록일 20.06.15
상세설명

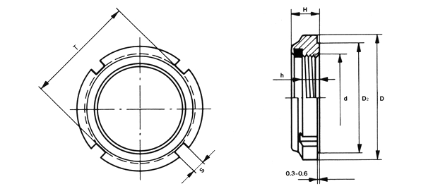
사양
ㆍ재질 :
  - Nut : steel(항장력500-700 N/mm2)
  - Nylon ring : Polyamide
ㆍ나사정도 : 4H(ISO 규격)
ㆍ표면처리 : 아연도금
ㆍ허용온도 : Max 100°C
ㆍ재사용 : 10회 반복 사용해도 自己保持能力 유지

 

용도
ㆍshaft 의 key 가공이 필요하지않다.
ㆍwasher가 필요하지 않다.
ㆍ조립시간단축
ㆍ진동에 강력
ㆍ반복사용가능
ㆍ대칭형으로 Balance가 양호
ㆍ고정용 set screw가 없으므로 복잡한 torque
ㆍ관리가 필요하지 않다.
ㆍ아연도금으로 녹 방지

 

 

ㆍ제품특징: 3개의 등간격으로 된 로킹핀으로 너트가 축에 대해 올바른 각도로 정확하게 조립해주며 편차를 조정할 수 있다. 원주방향으로 체결이 어려울 때 사용 한다. 키 워셔나 축의 키홈가공이 필요없다.
ㆍ제품사양: - 재질 : KS SM 45C ,JIS S45C,DIN C45
- 조질 경도 : HRC 22-25
- 너트 등급 : KS 1 급
- 너트면에 대한 직각도 : ±0.007
- 표면 처리 : 인산염 피막처리
- 규 격 : HB 05(M25*1.5)~HB40(M200*3.0)

ㆍ기술 및 인증:

- Q 마크 획득(한국생활용품시험원)
- EM 마크 획득 (국립기술품질원)
ㆍ수출국가: - 일본, 이태리, 인도, 그리스
ㆍAdvangates: RN is suitable designed for the low-load bearing supporter that it easy to be mounted and dismounted.
ㆍFeatures: - Marerial : DIN C45, JIS S45C, KS SM45C
- Hardness : HRC 22~25
- Nut Grade : Precision class
- Squarness of Nut Face : ⊥0.007