신품 판매중
Isolated Converter
가격 가격협의
모델명 CN-6000 Series
제품분류 계측기/기록지시계
업체명 진일계전
전화번호 0504-0667-4084
등록일 20.02.19
상세설명

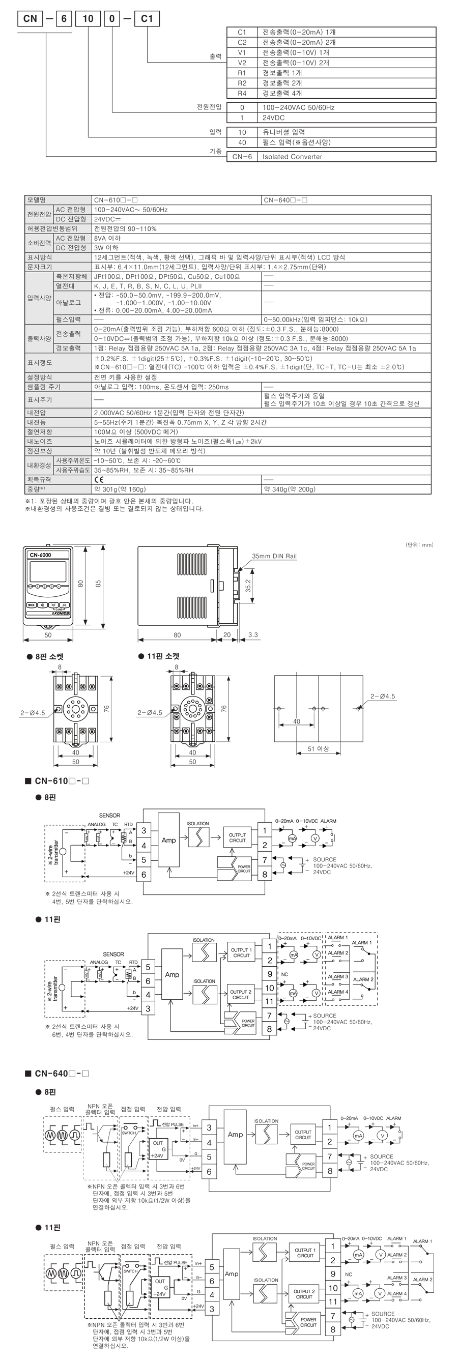
절연형 컨버터 CN-6000 시리즈는 다양한 기능과 최고의 성능, 높은 신뢰성은 물론, 3색 컬러 디스플레이(색상 선택 가능)를 채용함으로써 현장 여건(밝기, 조명)에 따른 최적의 시인성을 제공하며, 업계 최고의 기술력을 바탕으로 동급 최고의 가격 경쟁력을 실현 하였습니다. 또한 펄스 입력 방식 가능 모델의 추가로 선택의 폭이 넓은 제품 입니다.

 

* 멀티 입력
- CN-610□-□ : 열전대 12종, RTD 5종, 아날로그(mV, V, mA) 6종
- CN-640□-□ : 0~50.00kHz
* Negative LCD 채용으로 시인성 향상
: 12 Segment, 3가지 색상(적색, 녹색, 황색 선택 가능)
* 표시부에 입력의 종류와 단위 표시
* 다양한 출력 지원
: 4개, 2개, 1개 경보출력, 0-20mA 전송출력(절연, 출력 범위 조정 가능), 0-10VDC 전압출력(절연, 출력 범위 조정 가능)
* 다양한 기능
: 입력 최대값/최소값 감시, 센서 단선 시 경보출력(Burn Out), 입력 보정, 사용자 입력 범위 지정, 표시 스케일, 전송출력 스케일, 아날로그 출력 범위 설정
* 센서 공급 전원 내장(24VDC)