신품 판매중
콘덴샤
가격 가격협의
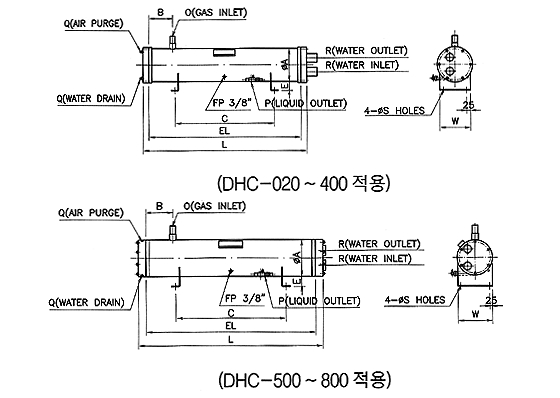
모델명 수냉식
제품분류 유니트쿨러
업체명 두일테크윈
전화번호 0504-0667-4132
등록일 20.01.08
상세설명

응축온도 : 43℃, 냉각수온도: 32℃
내압시험압력
냉매측:33kg/cm2,냉각수측:10kg/cm2
설계압력 : 22 kg/cm2
가용전 적용시의 용융온도:72℃
안전변 적용시의 분출압력:24kg/cm2 

 

1. 상기표의 냉매액 저장량은 R22 기준입니다.
   Pump down volume(litre) ; R22 liquid
2. R12 및 R502 사용시의 냉매액 저장량은 각각의 보정계수(R12 ; 1.1034, R502 ; 1.04) 를 곱한 값을 적용합니다.
   Please, mutiply volume by constant of 1.1034 at R12, or by constant of 1.04 at use R502.
3. 상기 냉매액 저장량은 내용적의 약 80%를 적용합니다.
   The rate of pump down volume is approximately 80% of vessel's inner space